Арт.: 035771

Профиль FOLED-50-WALL-2000 (Arlight, Алюминий)

Распечатать
Поделиться
Общие характеристики
Тип товара
Профиль
Назначение
Для натяжных потолков
Цвет покрытия
Серебристый
Модельный ряд
FOLED
Форма (сечение)
-
Материал корпуса
Алюминий
Индивидуальная покраска
Возможна
Гарантийный срок
2 год(а)
Система фиксации полотна
Гарпунная
Совместимый тип полотна
ПВХ плёнка
Способ монтажа
Встраиваемый со скрытым фланцем
7 42770 ₽/м

В наличии

Пленочная упаковка (полистирол) 2 м — 14 85540
Пленочная упаковка (полистирол) 2 м 14 85540
Способы получения заказа Способы получения заказа Доставка по Москве Самовывоз
Описание
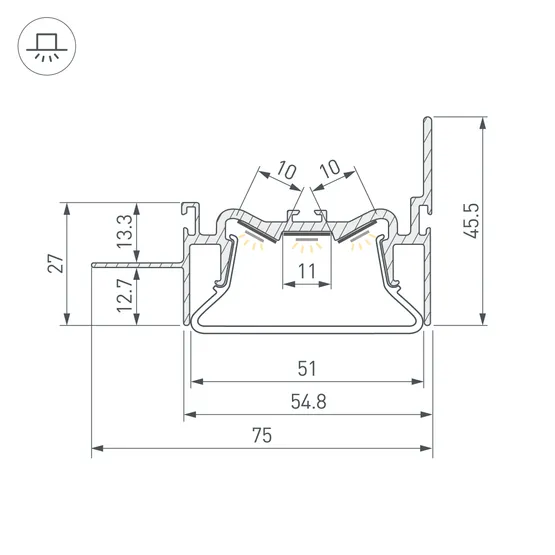
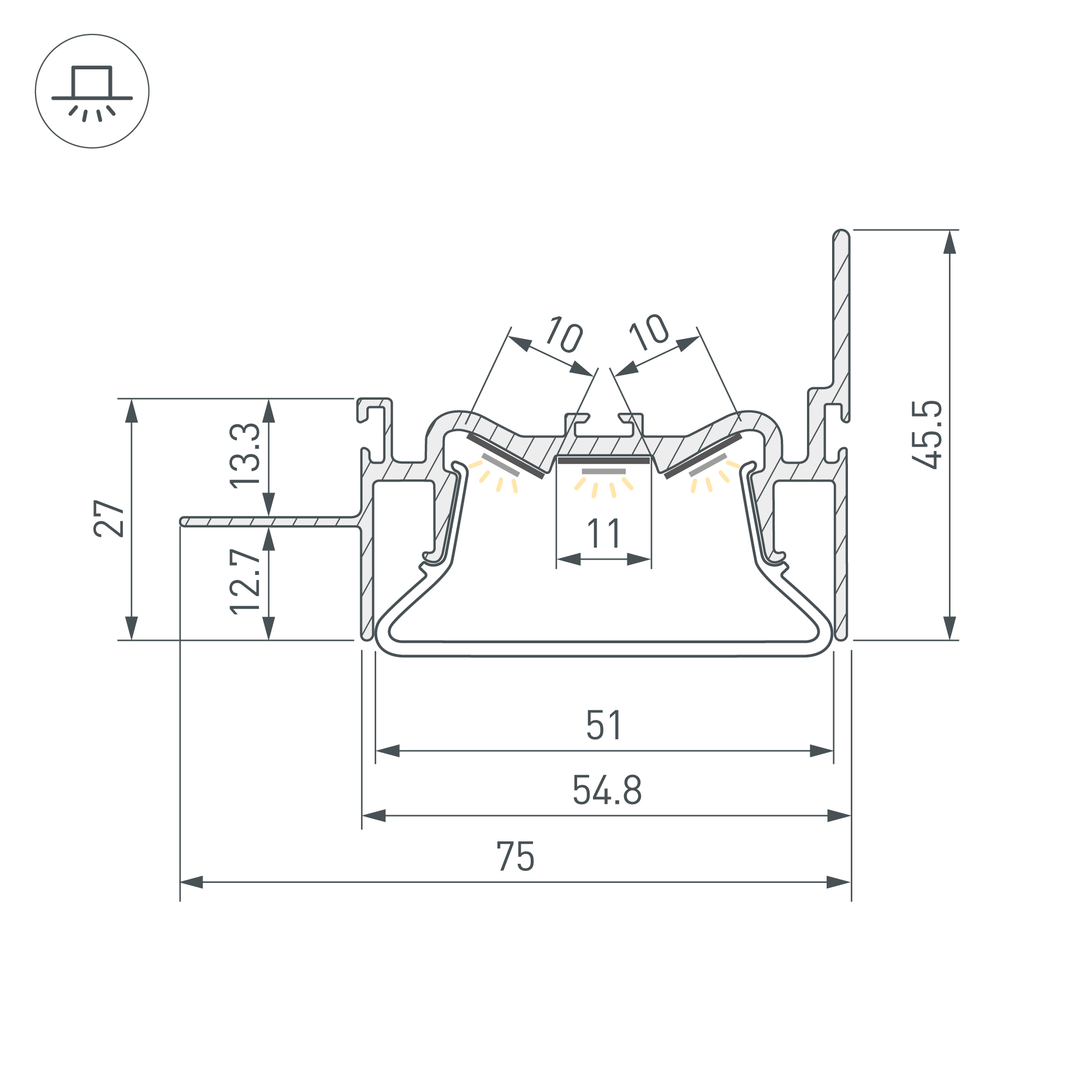
Встраиваемый алюминиевый профиль (боковая линия - монтаж к стене) для дизайнерских решений «линии света» в натяжных потолках. Решение 2-в-1: служит каркасом для крепления натяжного потолка и профилем для установки светодиодной ленты. Габаритные размеры профиля составляют 2000 мм в длину, 75 мм в ширину и 45,5 мм в высоту. Площадки для установки светодиодных лент позволяют использовать ленты шириной до 10 мм и мощностью до 50 Вт/м (общая мощность для трех лент). Это обеспечивает гибкость в выборе светодиодных лент и создает потрясающие световые решения. Экран, заглушки и другие аксессуары не включены в комплект и приобретаются отдельно. Цена указана за 1 метр профиля. Отличное решение для создания современных световых проектов.
Характеристики
Алюминиевый профиль для натяжных потолков (боковая линия - монтаж к стене). Решение 2-в-1 - каркас для крепления натяжного потолка и профиль для установки светодиодной ленты. Для дизайнерских решений «линии света» в натяжных потолках. Монтируется к стене, накладной способ. Натяжной потолок крепится к профилю с одной стороны. Габаритные размеры (L×W×H): 2000x75x45,5мм. Ширина центральной площадки для ленты 11мм, боковых площадок - 10 мм. Экраны, заглушки и другие аксессуары приобретаются отдельно. Цена за 1 метр.
Общие
Артикул
035771
Тип товара
Профиль
Назначение
Для натяжных потолков
Цвет покрытия
Серебристый
Модельный ряд
FOLED
Форма (сечение)
-
Материал корпуса
Алюминий
Индивидуальная покраска
Возможна
Гарантийный срок
2 год(а)
Система фиксации полотна
Гарпунная
Совместимый тип полотна
ПВХ плёнка
Способ монтажа
Встраиваемый со скрытым фланцем
Светотехнические
КПД профиля (cветовой)
89 %
Эксплуатационные
Внешний вид поверхности
Глянцевая
Покрытие поверхности
Без покрытия
Ширина световой линии
49.8 мм
Рассеиваемая тепловая мощность на 1м
max: 50 W
Габариты
Длина
2000 мм
Ширина
75 мм
Высота
45.5 мм
Ширина площадки
11 мм
Глубина установки источника света
21 мм
Другие
Кратность цены за 1 м/шт
1
Модели серии (9)
Страница серии
Item 1 of 9